P1100 MicroTerm
|
Technische Handleiding |
|||
|
P1100 Microterm |
|||
|
|
|||
|
Aanvullende informatie
Artikelnummer: P1100
Versie: 4.0
|
|||
|
ARAS Security B.V. Postbus 218 5150 AE Drunen NL Thomas Edisonweg 5 5151 DH Drunen NL |
T W E |
0416 32 00 42 www.aras.nl info@aras.nl |
Helpdesk 0900 27 27 43 57 support.aras.nl techhelp@aras.nl |
Algemene informatie
Wijzigingen voorbehouden.
Kijk op onze support site http://support.aras.nl/ voor actueel nieuws en FAQ.
Inhoudsopgave
2. Aansluiten van een Microterm centrale
3. Microterms met elkaar verbinden
3.2. Microterms met elkaar verbinden via RS422 (Repeat)
3.3. Microterms met elkaar verbinden via RS422 (Multidrop)
4.2. Aansluitingen Proximity lezer (AP1)
4.3. Aansluitingen Magneetstrip lezer (AXM)
4.4. Aansluiting van een 3 x 4 matrix codebediendeel
4.5. Aansluitingen Keytouch (II) lezer
5.2. Het Sabotage contact (Ingang 81 softwarematig)
6.2. Het Console relais (Relais 73 softwarematig)
7. Adres en jumper instellingen
7.1. Adres instelling Microterm centrale
7.3. Jumper instelling Microterm centrale
8. In bedrijfstelling Microterm
8.1. Stap 1. Montage van de behuizing
8.2. Stap 2. Monteren van grendels, lezers, bypass drukkers en deurcontacten
8.3. Stap 3. Aansluiten van de verbindingskabels
8.4. Stap 4. Aansluiten van lezers, grendels en eventuele bypass drukkers en deurcontacten
8.5. Stap 5. Aansluiten van 230 Vac
8.6. Stap 6. Stel het adres en alle jumpers op de juiste wijze in
8.7. Stap 7. Spanning op de Microterm
8.8. Stap 8. Verwijder het papiertje tussen de geheugencel
10.11.1. Verbinding met een CardAccess centrale via RS232
10.11.2. Verbinding met een CardAccess centrale via RS422
10.11.3. Verbinding tussen CardAccess Centrales onderling
10.11.4. Verbinding met een CardAccess centrale via het netwerk (TCP/IP)
11.1. Lezers en digitale ingangen
11.2. Communicatie tussen PC en Microterm
11.3. Communicatie Microterms onderling
12. Algemene richtlijnen en waarschuwingen
1. Inleiding
Met CardAccess is het mogelijk meer dan 1000 lezers te besturen. Deze lezers worden op zogenaamde centrales aangesloten. Deze centrales zorgen ervoor dat als de PC niet aanstaat alles stand-alone door blijft werken. CardAccess levert 4 verschillende centrales:
· De Microterm (2 lezeraansluitingen, 1 maal PIN code tableau aansluiting)
· De Miniterm (2 lezeraansluitingen, 2 maal PIN code tableau aansluiting)
· De Smarterm (4 lezeraansluitingen, 4 maal PIN code tableau aansluiting)
· De Superterm (8 lezeraansluitingen, 8 maal PIN code tableau aansluiting)
De Microterm is de kleinste uit de serie en is geschikt om maximaal 2 deuren aan te sturen. De Microterm wordt geprogrammeerd en bestuurd via een IBM-compatible PC. Daarnaast is het mogelijk om de Microterm “Stand-alone” te laten werken. De verschillende centrales zijn door elkaar te gebruiken.
Afhankelijk van de te gebruiken software is het mogelijk om meer dan 1000 lezers te besturen. Per communicatie poort kunnen maximaal 63 panelen worden bestuurd. Elke centrale heeft zijn eigen hardwarematige adres. Het hoogste adres bij een Microterm bedraagt 31, bij een Miniterm, Smarterm en een Superterm bedraagt het hoogste adres 63.
De Microterm beschikt over een eigen geheugen voor het opslaan van kaarten, tijdzones, toegangsniveaus, transacties etc. De Microterm kan zo’n 1400 kaarten kwijt in zijn geheugen. Deze waarde is softwareversie afhankelijk. Dit aantal is bij de Microterm niet uit te breiden.
De Microterm is verder voorzien van 3 ingangen (2 plus 1 voor Sabotage melding van de kast), en 3 uitgangen.(2 plus 1 als console relais) De in- en uitgangen zijn vrij programmeerbaar en dus voor verschillende doeleinden te gebruiken.
In deze technische handleiding wordt geprobeerd op een verhelderende manier (d.m.v. tekeningen en tekst) uit te leggen hoe de Microterm werkt, kan worden aangesloten en wat er allemaal mogelijk is met deze CardAccess toegangscontrole centrale.
De Microterm is een kwaliteitsproduct wat zich in de loop der jaren heeft bewezen. De print en de voeding worden tijdens het productie proces continue gecontroleerd op eventuele fouten. Daarnaast wordt het systeem voor uitlevering aan de klant getest op een goede werking.
Helpdesk :
Toch is het mogelijk dat de print niet helemaal correct functioneert. In die gevallen dient u zo spoedig mogelijk contact op te nemen met : ARAS Security B.V. Telefoon 0900 27274357
Aarding:
Op de Microterm print zitten een aantal componenten die ervoor zorgen dat eventuele storingen van buitenaf naar aarde worden weggevoerd. Zorg er daarom voor dat de kast altijd aan de aarde hangt.
Om een goede werking van de installatie te waarborgen, dienen de specificaties en waarschuwingen die aan het eind van deze handleiding staan te worden opgevolgd.
2. Aansluiten van een Microterm centrale
2.1. Aansluiting 230Vac
De Microterm beschikt standaard over een voeding die 12Vdc, 1.25 Ampère levert. Deze voeding dient primair te worden gevoed door 230V wisselspanning. Deze voeding verzorgt de spanning voor de Microterm centrale, de kaartlezers en de deursloten en/of magneten.
Als optie is een 2AH noodstroom accu leverbaar voor het geval dat de spanning uitvalt. De accu neemt dan alle taken van de voeding over. Wij adviseren altijd een accu te gebruiken in verband met bescherming van apparatuur bij spanningsuitval.
Linksonder in de kast dient de 230Vac kabel binnen te komen. Deze kabel kan op de 230Vac aansluitconnector worden aangesloten.
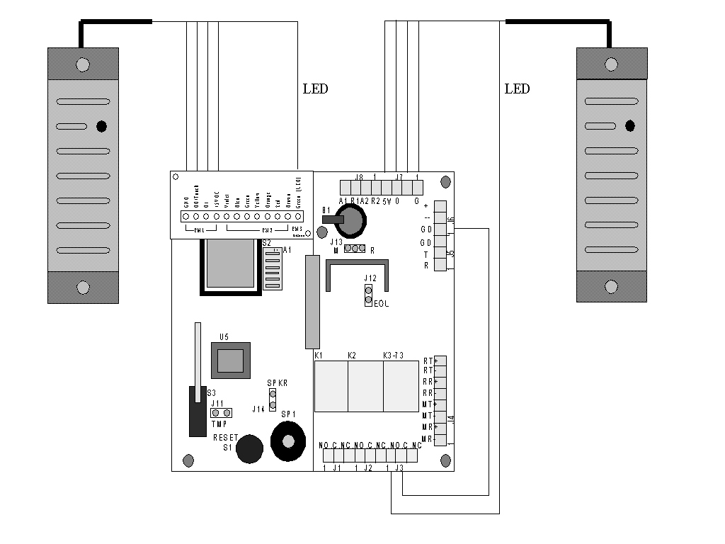
De voeding is verbonden met de Microterm via connector J6. Onderstaande afbeelding toont deze aansluiting, evenals de voeding aansluiting ten behoeve van sloten.
LET OP:
Microterm behuizing altijd aan aarde hangen.
De voeding die in de Microterm kast zit voldoet aan alle normen gesteld door de CE-keur. De voeding levert 12 Vdc, 1,25 Ampère. Deze voeding voorziet de Microterm Print (PCB) van 12 Volt gelijkspanning. Na het aansluiten van twee kaartlezers blijft er ongeveer 700mA over voor de elektrische sloten.
De voeding is primair (230V) afgezekerd op 1 Ampère en secundair na de trafo met 1,25 Ampère en bij de aansluitklemmen opnieuw met 1,25 Ampère. Op de voeding wordt d.m.v. een lampje de aanwezigheid van wisselspanning weergegeven.
Totale voeding:12 Vdc, 1,25A
Microterm print (PCB) trekt zo’n 250mA
Accu laadt gedeelte trekt zo’n 100mA
Twee standaard lezers trekken zo’n 200mA +
Totaal ±550mA
Blijft dus over voor sloten 700mA.
De voeding is uitgerust met de volgende klemmen:
1x 220Vac klem (afgezekerd, 1A)
2x 12Vdc klem (afgezekerd, 1,25A)
3. Microterms met elkaar verbinden
3.1. Algemeen
Afhankelijk van de te gebruiken software is het mogelijk om diverse centrales achter elkaar te “hangen”. Als deze lijn bestaat uit alleen maar Microterms, kunnen dit er maximaal 31 zijn. (Hoogste adres Microterm is 31)
Bij de Miniterm, Smarterm en Superterm bedraagt deze waarde 63 stuks per lijn.
De meest gebruikte communicatie methode onderling, is de RS422 repeat mode (serieel). Daarnaast is het mogelijk om RS422 multidrop te gebruiken (parallel).
Het voordeel van de Repeat mode t.o.v. de Multidrop mode is de signaal versterking per Microterm waardoor steeds weer 1200 meter kan worden overbrugd. Bij de Multidrop mode is de totale lengte 1200 meter.
Indien u van plan bent de Multidrop mode te gaan gebruiken is het verstandig ARAS Security B.V. hier over in te lichten. Deze kan u hierover meer details geven.
3.2. Microterms met elkaar verbinden via RS422 (Repeat)
Onderstaand het aansluitschema van meerdere Microterms aangesloten in de RS422 Repeat mode.

Maximale kabelafstand in deze mode is 1200 meter (tussen de Microterms onderling).
|
Gaat weg op |
|
Komt binnen op |
|
Gaat weg op |
|
Komt binnen op |
|
RPT / T+ |
|
MD / R+ |
|
RPT / T+ |
|
MD / R+ |
|
RPT / T- |
|
MD / R- |
|
RPT / T- |
|
MD / R- |
|
RPT / R+ |
|
MD / T+ |
|
RPT / R+ |
|
MD / T+ |
|
RPT / R- |
|
MD / T- |
|
RPT / R- |
|
MD / T- |
LET OP:
Voorkom aardlussen. Bovenstaande tekening geeft aan hoe de afscherming wordt aangesloten. De afscherming kan worden aangesloten op een aardaansluiting in de kast.
3.3. Microterms met elkaar verbinden via RS422 (Multidrop)
Bij deze Multidrop mode is altijd een RS232/RS422 converter nodig. Van het RS232 signaal dient namelijk eerst een RS422 signaal te worden gemaakt alvorens de Multidrop mode kan worden toegepast. Onderstaande tekening toont het aansluitschema. In deze mode worden de verschillende centrales parallel aangesloten. Er wordt één datakabel gelegd, waarop de Microterms parallel worden aangesloten. De maximale lengte van de totale lijn mag niet meer dan 1200 meter bedragen.

LET OP:
· In een Multidrop situatie is er een versterker nodig na de tiende Microterm.
· Voor deze mode is een speciale RS 422 converter vereist. Verkrijgbaar bij ARAS Security B.V.
· De EOL jumper dient bij de Microterm centrale die het verste weg zit te worden geactiveerd.
· Voorkom aardlussen. Bovenstaande tekening geeft aan hoe de afscherming wordt aangesloten. De afscherming kan worden aangesloten op een aardaansluiting in de kast.
4. Aansluiting lezer
4.1. Algemeen
Op de Microterm kunnen maximaal 2 kaartlezers worden aangesloten. Op lezeringang 1 kan er naast de kaartlezer ook een codebediendeel worden aangesloten.
Op de Microterm print is per kaartlezeraansluiting 5 Volts aanwezig. Indien de lezer op 12 Volt moet worden aangesloten, kan dat rechtstreeks op de voeding van de Microterm. Als de lezer op een andere spanning werkt dan 5 of 12 Volt dienen er gebruik te worden gemaakt van een externe voeding. Om potentiaal verschillen te voorkomen moet de min van deze voeding verbonden zijn met de min van de Microterm.
Op elke lezeraansluiting bevindt zich dus een min (GND) en een plus (5V) aansluiting.. Tussen deze aansluitingen bevinden zich de data aansluitingen van de lezer D1 en D0. Op deze aansluitingen komt de data van de kaarten binnen.
Op lezer 1 is rechtstreeks een LED sturing aanwezig. De LED uitgang wordt naar de min geschakeld op het moment dat de kaart geldig is. De LED is op de print vermeld als “G LED”. Op lezeraansluiting 2 is deze niet aanwezig. Wel kan software matig een extra relais worden geschakeld op een geldige kaart om de LED van lezer twee aan te sturen.
In de volgende bladzijdes wordt aangegeven hoe een aantal door ARAS Security B.V. geleverde lezers kunnen worden aangesloten. Niet alle lezers staan in deze handleiding. Raadpleeg daarom altijd de handleiding die bij de lezer wordt geleverd.
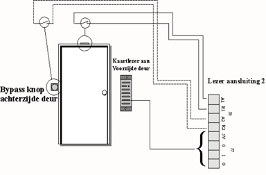
4.2. Aansluitingen Proximity lezer (AP1)
Aansluiting van een HID Proximity lezer op de Microterm.
Bij deze kaartlezer brandt de rode LED continue als er spanning op de lezer staat.
Op lezeraansluiting 1 wordt de groene LED (oranje draad) rechtstreeks op de lezeringang aangesloten. Bij lezeringang 2 is dit niet mogelijk. Wel kan in de software een extra relais (relais 73) toewijzen aan lezer 2 zodat deze bij een geldige kaart schakelt. Sluit dan een GND signaal aan op de “COM” aansluiting van relais 3 (=relais 73 softwarematig) en sluit de groene LED van de lezer (oranje draad) aan op de “NO” aansluiting.

4.3. Aansluitingen Magneetstrip lezer (AXM)
Aansluiting van de AXM magneetstrip lezer op de Microterm.

LET OP:
Er zijn 2 verschillende typen AXM lezers op dit moment. Bekijk het aansluitschema wat bij de lezer wordt geleverd voor de juiste aansluitingen.
Bij deze kaartlezer brandt de rode LED continue als er spanning op de lezer staat.
Op lezeraansluiting 1 wordt de groene LED (bruine of oranje draad) rechtstreeks op de lezeringang aangesloten. Bij lezeringang 2 is dit niet mogelijk. Wel kan in de software een extra relais (relais 73) toewijzen aan lezer 2 zodat deze bij een geldige kaart schakelt. Sluit dan een GND signaal aan op de “COM” aansluiting van relais 3 (=relais 73 softwarematig) en sluit de groene LED van de lezer (bruine of oranje draad) aan op de “NO” aansluiting.
LET OP:
Bij Magneetstrip lezers is het belangrijk dat ze regelmatig worden schoongemaakt met een schoonmaakkaart. Dit is een speciale kaart die bij ARAS Security b.v. kan worden besteld.
4.4. Aansluiting van een 3 x 4 matrix codebediendeel
Er zijn verschillende code bediendelen verkrijgbaar. Raadpleeg voor het aansluiten van een codebediendeel de handleiding die bij het codebediendeel wordt geleverd.
Onderstaand schema geeft een voorbeeld van het aansluiten van een codebediendeel op een Microterm.
Alleen op lezeraansluiting 1 zit een mogelijkheid om een codebediendeel aan te sluiten.
Bij gebruik van een codebediendeel dienen er altijd softwarematige instellingen te worden gedaan zoals :
· PINcode tableau aanwezig ja of nee
· Dwang functie gebruiken ja of nee
· Pincode per kaarthouder Ja of nee
· Tijdzone voor “Alleen Kaart”,”Kaart en PIN”of ”Alleen en PIN”.

4.5. Aansluitingen Keytouch (II) lezer
Voor het aansluitschema van deze lezer verwijzen we naar de handleiding die bij deze kaartlezer geleverd wordt.
LET OP:
Bij gebruik van Keytouch lezers dient er in de Windows software een nieuw kaartformaat te worden gedefinieerd. Dit kan via het menu “Administratie Kaartformaten”.
Maak d.m.v. “Nieuw” een kaartformaat aan met de naam “Formaat 5 KeyTouch “ en neem de onderstaande gegevens exact over.
5. Aansluiting ingangen
5.1. Standaard ingangen
De Microterm beschikt over 2 ingangen plus een sabotage ingang. Deze zijn bedoeld voor het aansluiten van deurcontacten, bypass drukkers, PIR melders etc.
Op alle ingangen van de Microterm kan een contact worden aangeboden in de vorm van “normaal open” of “normaal gesloten”. Softwarematig kan de ingang worden gedefinieerd als normaal open of normaal gesloten.
Standaard staat de eerste ingang gedefinieerd als zijn deurcontact voor lezer 1 (deurstand signalerings contact). De tweede ingang staat gedefinieerd als zijnde Bypass drukker lezer 1(toets om de deur te openen). Zie onderstaande overzicht:
Ingang 1: A1/R1, Deurstand signalering (normaal gesloten)
Ingang 2: A2/R2, Bypass drukker (normaal open)
LET OP:
De Microterm heeft slechts 2 ingangen in totaal. Er kan dus slecht 1 maal een deurcontact in combinatie met bypass gebruikt worden. Bij alle andere CardAccess centrales kan dit per kaartlezer.
5.2. Het Sabotage contact (Ingang 81 softwarematig)
Standaard beschikt de Microterm over een Sabotage ingang waarvan het contact op de print is ondergebracht. Deze ingang is gedefinieerd als zijnde ingang 81 softwarematig. Bij een status verandering wordt deze weergegeven op het scherm. Softwarematig kunnen we een relais schakelen met deze ingang.
Onderstaande afbeelding laat de positie zien van deze ingang.
LET OP:
Op de ingangen (A1/R1, A2/R2 of TMP) mag geen spanning worden gezet!
6. Aansluiting relais
6.1. De standaard relais
Op het bord zijn in totaal 3 relais aanwezig voor het besturen van deurgrendels, magneten, elektrische poorten, verlichting etc. Standaard staan de eerste twee relais geprogrammeerd als Strike relais voor het openen van elektrische deurgrendels. Alle relais zijn uitgevoerd met een potentiaal vrij wisselcontact.
In principe is voor elke lezer (deur) 1 strike relais gereserveerd om de deur te openen.

LET OP:
De relais mogen MAXIMAAL 3A bij 24V DC schakelen. Zet dus geen 230VAC op de contacten! Afhankelijk van de gebruikte lezers is er zo’n 700mA over voor het voeden van elektrische grendels / magneten.
6.2. Het Console relais (Relais 73 softwarematig)
Het laatste relais op een CardAccess paneel is altijd het console relais. Softwarematig wordt dit relais benoemd als relais 73. De aansluiting op de print is J3. Aan dit relais kunnen we softwarematig een aantal speciale functies koppelen zoals schakelen bij een:
· Geforceerde deur
· Deur die te lang open staat (tijd is instelbaar)
· Persoon die onder Dwang staat
· Ongeldige kaart
· Anti-pass back fout
· Geweigerde kaart
· Status verandering alarm ingang
· Status verandering sabotage ingang
Alle aansluitingen van de relais zitten onder aan de print.

Voor alle relais (connectoren J1 t/m J3) gelden de volgende aansluitingen:
1: “Normaal open” contact
2: “Common” contact
3: “Normaal gesloten” contact
Afhankelijk van het type grendel kan het normaal gesloten of het normaal open contact worden gebruikt.
LET OP:
Omdat een grendel een behoorlijke piekstroom kan veroorzaken dient er altijd een blusdiode over de grendel te worden geplaatst.
7. Adres en jumper instellingen
7.1. Adres instelling Microterm centrale
Elke Microterm dient een uniek adres te hebben om te communiceren met de PC. Deze adressen kunnen d.m.v. dipswitches worden ingesteld. Maximaal 31 verschillende adressen kunnen bij de Microterm worden gekozen. De dipswitch module is uitgevoerd in een blokje van 6 stuks. De eerste 5 dipswitches zijn voor de adres instelling. De 6e dipswitch wordt gebruikt t.b.v. een modem.
De adres instelling geschiedt door middel van het binaire stelsel, wat inhoudt dat de dipswitches de volgende waarden hebben:
Switch 1 : waarde 1
Switch 2 : waarde 2
Switch 3 : waarde 4
Switch 4 : waarde 8
Switch 5 : waarde 16
Switch 6 : t.b.v. modem
Enkele voorbeelden van adreselecties.
|
Adres |
SW1 |
SW2 |
SW3 |
SW4 |
SW5 |
SW6 |
|
1 |
OFF |
ON |
ON |
ON |
ON |
ON |
|
2 |
ON |
OFF |
ON |
ON |
ON |
ON |
|
3 |
OFF |
OFF |
ON |
ON |
ON |
ON |
|
4 |
ON |
ON |
OFF |
ON |
ON |
ON |
|
5 |
OFF |
ON |
OFF |
ON |
ON |
ON |
|
31 |
OFF |
OFF |
OFF |
OFF |
OFF |
OFF |
7.2. Geheugencel
Standaard beschikt de Microterm over een geheugen voor zo’n 1400 kaarten. Deze waarde is softwareversie afhankelijk. In het geval dat de spanning wegvalt, kan een lithiumcel er voor zorgen dat het geheugen alle instellingen behoudt. Het celletje is afgeschermd door middel van een papiertje. Dit dient na de installatie van de Microterm (na het programmeren) te worden verwijderd.
LET OP:
De Lithium cellen worden in de fabriek volautomatisch in de houder gezet. Daardoor is het mogelijk dat de cel geen goed contact maakt met de contacten (er kan een soort “film” overheen zitten). Reinig de cel indien nodig.
7.3. Jumper instelling Microterm centrale
7.3.1. Jumper J11
Met deze jumper kan het sabotage contact worden overbrugt. (Sabotage)
7.3.2. Jumper J12
De jumper wordt gebruikt om de lijn af te sluiten, de zogenaamde End Off Line
(EOL) weerstand (afsluitweerstand).
Dit is alleen noodzakelijk bij de Multidrop mode. De EOL jumper dient te worden geplaatst op de centrale die het verste van de PC vandaan zit qua kabellengte..
Bij de Repeat mode heeft deze jumper geen functie.
Bij de RS422 Repeat mode staat deze altijd op IN (standaard instelling).
7.3.3. Jumper J13
Stand R (Repeat mode) :dit is de standaard instelling. (M/R)
Stand M Multidrop mode (M) :dit is de instelling voor een ster netwerk.
Bij de Repeat mode geldt dat de maximale afstand tussen de Microterms onderling, 1200 meter mag zijn.
In de Multidrop mode mag de totale lijnlengte 1200 meter bedragen. Daarnaast is het maximum aantal Microterms 10. Door een lijnversterker toe te passen is deze waarde te verhogen.
Op de Microterm print zitten 2 jumpers die verantwoordelijk zijn voor deze instellingen. Onderstaande tekening toont de locatie van deze jumpers.

7.3.4. Jumper J14
Met deze jumper kan de zoemer worden geactiveerd. De zoemer wordt geactiveerd (Zoemer) bij een geldige kaart die het eerste relais activeert en bij een druk op de reset knop.
8. In bedrijfstelling Microterm
8.1. Stap 1. Montage van de behuizing
Monteer de Microterm behuizing op een muur (wand) die goed bereikbaar is. Bijvoorbeeld in een technische ruimte of in een meterkast.
LET OP:
Boor geen extra gaten voor montage of kabeldoorvoer in de kast maar maak gebruik van de bestaande gaten.
8.2. Stap 2. Monteren van grendels, lezers, bypass drukkers en deurcontacten
Monteer de lezers, de grendels en eventuele bypass drukkers en deurcontacten.
LET OP:
aders van lezers die niet worden gebruikt dienen te worden afgeschermd.
8.3. Stap 3. Aansluiten van de verbindingskabels
Sluit de kabel aan tussen de PC en de eerste Microterm centrale. Sluit eventueel de verbindingskabel aan tussen de centrales onderling.
8.4. Stap 4. Aansluiten van lezers, grendels en eventuele bypass drukkers en deurcontacten
Sluit de lezers, grendels en eventuele bypassdrukkers en deurcontacten aan op de Microterm centrale.
8.5. Stap 5. Aansluiten van 230 Vac
Voer de 230 Vac kabel in en sluit deze aan op de 230 Vac aansluitconnector.
8.6. Stap 6. Stel het adres en alle jumpers op de juiste wijze in
Zet het adres van de Microterm op de juiste waarde en zet de jumpers op de juiste positie.
8.7. Stap 7. Spanning op de Microterm
Nadat alles zit aangesloten en de jumpers op de juiste positie zitten kan er 230Vac op de Microterm worden gezet.
Als alles goed is verlopen kan er nu verbinding met de Microterm centrale worden gemaakt. Raadpleeg de software handleiding voor verdere in bedrijf stelling.
8.8. Stap 8. Verwijder het papiertje tussen de geheugencel
Nadat via de software is geconcludeerd dat de Microterm goed functioneert kan het papiertje tussen de knoopcel worden verwijderd.
9. Reset procedure
Indien de Microterm niet juist functioneert is het mogelijk een totale reset uit te voeren. Deze reset maakt het geheugen van de Microterm leeg en zorgt ervoor dat het programma opnieuw wordt geladen in de Microterm.
De volgende stappen dienen te worden doorlopen om de reset procedure uit te voeren.
Stap 1.
Scherm de knoopcel af met een stukje papier.
Stap 2.
Zet het adres (S2) van de Microterm op 0. Dit betekend dat alle Dipswitches op “on” moeten staan.
Stap 3.
Druk de reset knop (S1) 10 seconden in.
Als de reset procedure goed is verlopen worden alle gegevens opnieuw geladen.
Het is mogelijk deze procedure met of zonder spanning uit te voeren. In feite wordt het geheugen leeg gemaakt. Indien de Microterm is aangesloten op een PC zal deze PC zijn gegevens automatisch gaan downloaden.
10. Specificaties Microterm
De Microterm wordt geleverd in een stalen behuizing inclusief een 1,25A voeding. Daarnaast is er een losse accu bij te bestellen, i.v.m. eventuele spanningsuitval. Het geheel is goedgekeurd volgens de eisen van de CE-keur.
10.1. Kaartlezers :
De Microterm is geschikt voor de volgende typen kaartlezers:
· Magneetstrip
· Wiegand
· Proximity
· HandsFree
· Keytouch
· Chipkaart
· Mifare
· Infra-Rood
· Codebediendeel, los of in combinatie met de lezers
· Voertuigdetectie
· Insliklezer
· Biometrisch (bijvoorbeeld: oog, stem, hand, vinger)
Daarnaast is het mogelijk om elke lezer softwarematig een bepaalde status te geven, bijvoorbeeld een Anti-Pass-back status.
10.2. Kaarthouders
Er kunnen ongeveer 1400 kaarthouders in het geheugen van de Microterm. Deze waarde is softwareversie afhankelijk.
10.3. Stand-alone
Als er geen communicatie is tussen de PC en het centrale werken alle functies Stand-alone door.
Het is dan wel mogelijk een printer rechtstreeks op de Microterm aan te sluiten die alle transacties rechtstreeks uitprint.
10.4. Tijdzones
De Microterm kan werken met 128 verschillende tijdzone blokken. Gebaseerd op de inwendige real-time klok, kan de Microterm schakelen tussen de verschillende tijdzones, zowel online als offline.De tijdzone bestaat uit een cyclus van maximaal 8 dagen, waarbij de achtste dag als vakantiedag wordt aangezien. Per tijdzone kunnen verschillende blokken gedefinieerd worden, welke een reeks dagen en/of tijden kunnen bevatten. Deze tijdzones kunnen bepalen wanneer gebruikers toegang hebben op deuren. Ook is het mogelijk om met deze tijdzones poorten te sturen, verlichting te schakelen etc.
10.5. Vakantiedagen
In de Microterm is plaats voor maximaal 50 vakantiedagen. Standaard eindigen vakantiedagen om middernacht.
10.6. Toegangsniveaus
Een toegangsniveau is een combinatie van één of meerdere kaartlezers waartoe een kaarthouder toegang wordt verleend. In de Microterm is plaats voor maximaal 256 verschillende toegangsniveaus.
10.7. Transacties
In de Microterm is een deel van het geheugen gereserveerd voor het bewaren van transacties.
Hierin kunnen maximaal 500 transacties worden opgeslagen. Is dit aantal bereikt, dan worden de oudste transacties overschreven. Deze transactiebuffer wordt alleen maar aangesproken als de Microterm Stand-alone werkt. Op het moment dat er weer verbinding wordt gemaakt, word deze buffer automatisch uitgelezen.
10.8. Kalender
De Microterm bezit een Real-time klok met tijd en datum functie. Softwarematig kan deze klok automatisch overspringen van zomer- naar wintertijd en andersom.
10.9. Kaartlezer modes
De Microterm kan desgewenst schakelen tussen diverse kaartlezer modes, eventueel in combinatie met een pincode mogelijkheid. Dit schakelen kan automatisch geschieden d.m.v. verschillende tijdzones. Deze functie biedt de mogelijkheid om bijvoorbeeld overdag alleen de kaart te gebruiken en s’avonds de kaart plus een pincode om het beveiligingsniveau te verhogen.
10.10. Projectcodes
De Microterm kan 10 verschillende projectcodes in het geheugen opslaan.
10.11. Communicatie :
We kunnen op verschillende manieren de PC verbinden met de centrale(s).
10.11.1. Verbinding met een CardAccess centrale via RS232
De meest gebruikte aansluiting van PC naar de Microterm, is de RS232 verbinding. Dit is een 3 draads verbinding waar bij de kabel rechtstreeks op de seriële poort van de PC aangesloten wordt. De maximale kabellengte tussen Microterm en PC met dit protocol bedraagt 15 meter.
10.11.2. Verbinding met een CardAccess centrale via RS422
Is de afstand groter dan 15m, dan kunnen we de communicatie laten verlopen via het RS422 protocol. Dit is een 4-draads verbinding. Hiervoor hebben we echter een RS232 naar RS422 converter nodig die het RS232 signaal van de PC omzet in een RS422 signaal. De maximale kabellengte tussen Microterm en converter bedraagt 1200 meter. Deze converter is verkrijgbaar bij ARAS en is optisch gescheiden. Bestelnummer is: E1941PL.
Deze optische scheiding hebben we nodig als er een potentiaal verschil bestaat tussen PC en Microterm centrale. We kunnen deze converter ook gebruiken als er een potentiaal verschil bestaat tussen twee Microterm centrales.
10.11.3. Verbinding tussen CardAccess Centrales onderling
Bij het onderling doorverbinden van de Microterms wordt altijd het RS422 protocol gebruikt.
Verbinding met een CardAccess centrale via een modem.
Naast deze mogelijkheden is het ook mogelijk om via de RS232 lijn met een modem de Microterm(s) te bedienen. We kunnen een of meerdere Microterm centrales op afstand bedienen d.m.v. twee modems. (één aan de PC kant en één bij de Microterm centrale) De mutaties die men overdag doet kan men gelijkertijd of savonds automatisch laten downloaden naar de Microterms. Tegelijkertijd worden de transacties terug gelezen. Bij een alarm kan de Microterm zo ingesteld worden dat hij automatisch contact met de PC maakt.
10.11.4. Verbinding met een CardAccess centrale via het netwerk (TCP/IP)
Als vierde mogelijkheid kun je via TCP/IP adapters de centrales op afstand bedienen. Dit kan zowel in een LAN als een WAN netwerk Als we CardAccess centrales op andere locaties willen aansturen dan kunnen we eventueel de polling via het netwerk laten verlopen. Dit doen we met een zogenaamde TCP/IP adapter. Het voordeel van TCP/IP ten opzichte van modems is de continue verbinding.
Verbinding met een CardAccess centrale via glasvezel
Via glasvezel. Gebruik makend van RS232 of RS422 glasvezel converters
Op de print wordt het polling gedeelte vernoemd als J4 (RS422) en J5 (RS232).
10.12. Relais
Op het bord zijn in totaal 3 relais aanwezig voor het besturen van deurgrendels, Elektrische poorten, verlichting etc. Standaard staan de eerste twee relais geprogrammeerd als Strike relais voor het openen van de elektrische deur grendels.
Alle relais zijn uitgevoerd met een potentiaal vrij wisselcontact.
De relais mogen MAXIMAAL 3A bij 24V DC schakelen!
10.13. Console relais
Dit is het derde relais op de Microterm. Softwarematig wordt dit relais als relais nummer 73 benoemt. Aan dit relais kunnen een aantal speciale functies worden gehangen. Het relais kan bijvoorbeeld schakelen bij een:
· Geforceerde deur
· Deur te lang open
· Dwang
· Ongeldige kaart
· Anti-Pass-back fout
· Geweigerde kaarten
· Status verandering alarm ingangen
· Status verandering sabotage ingang
10.14. Alarm ingangen
De Microterm beschikt over 3 alarm ingangen waaronder de derde ingang gereserveerd is als sabotage contact. Softwarematig benoemen we deze ingang als ingang nummer 81. De andere twee zijn vrij te gebruiken. Bijvoorbeeld als deurcontact of bypass ingang. Voor alle ingangen geldt dat ze softwarematig te definiëren zijn, als zijnde normaal open of normaal gesloten.
10.15. Sabotage contact
Zoals beschreven onder Alarm ingangen heeft de Microterm een Sabotage contact.
Dit is de derde ingang op de Microterm. Softwarematig wordt deze ingang als ingang nummer 81benoemt. Het sabotage contact zorgt ervoor dat men altijd kan zien wanneer de behuizing open is geweest. Daarnaast is het mogelijk om het console relais te laten schakelen bij de status verandering van het sabotage contact.
10.16. CRT
Rechtstreeks aan de Microterm kan een beeldscherm (CRT) gekoppeld worden of een terminal emulator. (b.v. Hyperterminal of Bitcom). Alle transacties komen hierop binnen met alle informatie die normaal in de software ook binnen zou komen. Deze wordt aangesloten op de RS232 poort.
10.17. Printer
Ook is het mogelijk om via de RS232 poort rechtstreeks een seriële printer aan te sluiten. Deze print alle transacties direct uit.
LET OP:
De Microterm heeft slechts één RS232 poort. Normaal gesproken word deze gebruikt voor de communicatie met de PC.
10.18. Modem
Het is mogelijk één of meerdere Microterm centrales op afstand te bedienen d.m.v. twee modems (één aan de PC kant en één bij de Microterm centrale). De mutaties die men overdag doet kan men tegelijkertijd of savonds automatisch laten downloaden naar de Microterms. Tegelijkertijd worden de transacties terug gelezen. Bij een alarm kan de Microterm zo worden ingesteld dat hij automatisch contact met de PC maakt.
10.19. TCP/IP
Het is mogelijk CardAccess centrales op andere locaties aan te via een netwerk. Dit kan met een z.g. TCP/IP adapter. Het voordeel van TCP/IP ten opzichte van modems is de continue verbinding.
10.20. Anti-Pass-back
Bij gebruik van 2 kaartlezers op één deur (IN en UIT) kan APB worden toegepast. Ook kan een rapportage worden verkregen van de aanwezige personen via de PC naar de printer (Windows software) van wie er aanwezig zijn.
10.21. Timed Anti-Pass-back
Ook is het mogelijk Timed APB toe te passen wat inhoud dat de kaarthouder status IN timed : of UIT na een vooraf ingestelde tijd gereset wordt.
10.22. Vertraagd kaart
Bij bijvoorbeeld slagbomen wil men voorkomen dat kaarten worden doorgegeven.
Hiervoor biedt de optie vertraagd kaart gebruik de oplossing. Deze functie zorgt ervoor dat een kaart na gebruik bij een vooraf bepaalde lezer een ingestelde tijd niet nogmaals kan worden gebruikt.
10.23. Meldt toegang na
Met deze functie aan wordt het kaarthouder aanwezigheid scherm pas aangepast men ook daadwerkelijk de deur opent. Dit is een veel gebruikte optie bij APB lezers (Deurcontact noodzakelijk).
10.24. PIN code tableau
Op de Microterm kan tevens voor lezer 1 een combinatie met een pincodetableau worden toegepast. Hiervoor wordt gebruik gemaakt van een 3 maal 4 matrix Pincode tableau.
11. Kabelspecificaties
11.1. Lezers en digitale ingangen
Wiegandlezers : 0.325 mm2 (22AWG), minimaal 5-aderig, max. 150m, afgeschermd.
Proximitylezers : 0.812 mm2 (18AWG), minimaal 5-aderig, max. 150m, afgeschermd.
Magneetstriplezers : 0.325 mm2 (22AWG), minimaal 5-aderig, max. 150m, afgeschermd.
Keytouch II lezers : 0.325 mm2 (22AWG), minimaal 5-aderig, max. 100m, afgeschermd.
Pincode tableau : 0.325 mm2 (22AWG), minimaal 10-aderig, max. 150m, afgeschermd.
Normale ingangen : 0.325 mm2 (22AWG), 2-aderig, max. 150m, afgeschermd.
11.2. Communicatie tussen PC en Microterm
RS232 : 0.325 mm2 (22AWG), 3-aderig, max. 15m, folie afgeschermd
RS422 (via converter) : 0.325 mm2 (22AWG), 4-aderig, twisted pair, max. 1200m, folie afgeschermd met aardedraad.
11.3. Communicatie Microterms onderling
RS422 : 0.325 mm2 (22AWG), 4-aderig, twisted pair, max. 1200m, folie afgeschermd met aardedraad.
De juiste kabel is uit voorraad leverbaar bij ARAS.
12. Algemene richtlijnen en waarschuwingen
Bij de bekabeling van de digitale ingangen mogen geen spanningsvoerende aders worden opgenomen.
Als de voedingsspanning / stroom voor de lezer boven 12V / 1A uitkomt, dient men rekening te houden met de benodigde kabeldiameter.
Sluit de afscherming van een kabel slechts aan één zijde aan. (alleen aan de kant van de Microterm centrale). Dit omdat anders aardlussen ontstaan. Lezers en/of ingangen zouden dan niet correct kunnen functioneren. Neem contact op met ARAS Security B.V. met vragen over de juiste manier van aarden.
Laat de kabel via de juiste poort de kast binnen komen. Pas daar waar de kabel gemonteerd wordt dient de afscherming van de kabel te worden verwijderd. De afscherming van de kabel kan op de daarvoor bestemde aardpunten worden afgemonteerd.
Alle elektronische apparatuur is gevoelig voor statische elektriciteit. Zorg er daarom voor dat de Microterm PCB deugdelijke en in een statisch afgeschermde verpakking wordt verstuurd.
De Microterm mag niet van spanning worden voorzien voordat de totale installatie voltooid is.
Zorg ervoor dat overal de juiste kabel gebruikt is. Sluit de aarde altijd aan. Let er wel op dat er geen aardlus gecreëerd wordt.
Alle lezers dienen aangesloten te worden volgens de specificaties. (voedingsspanning, data aansluitingen e.d).
Lezer bekabeling of databekabeling mag niet zonder afscherming langs slotbekabeling gebonden worden.
Indien meerdere voedingen worden gebruikt (b.v. Voor deursloten), dienen de 0V aansluitingen te worden doorgekoppeld..
Elektromagnetische deursloten moeten altijd voorzien worden van een blusdiode.
Men dient zorg te dragen voor een deugdelijke aarde op de centrales. Dit betekent dat alle centrales voorzien moeten zijn van een aarde. Ook alle afschermingen van kabels dienen aan aarde te worden gemonteerd. Dit wordt gedaan om storingen van buitenaf te elimineren. Omdat elke centrale dient te worden geaard kunnen er aardpotentiaal verschillen ontstaan tussen deze centrales onderling. Potentiaal verschillen kunnen communicatie problemen veroorzaken. Door potentiaal vereffening of een optische scheiding kunnen deze problemen worden opgelost. ARAS levert een optische scheiding onder het volgende typenummer E1941PL.
13. Aansluitschema



